營銷總監:靳經理 18653877118
銷售部:張經理 18653877126
郵箱: admin@cnshelley.com
shelley@cnshelley.com
銷售總部: 山東泰安長城路96號天龍國際大廈B座1405室。
工廠地址:山東省泰安市岱岳區北集坡街道海納街789號
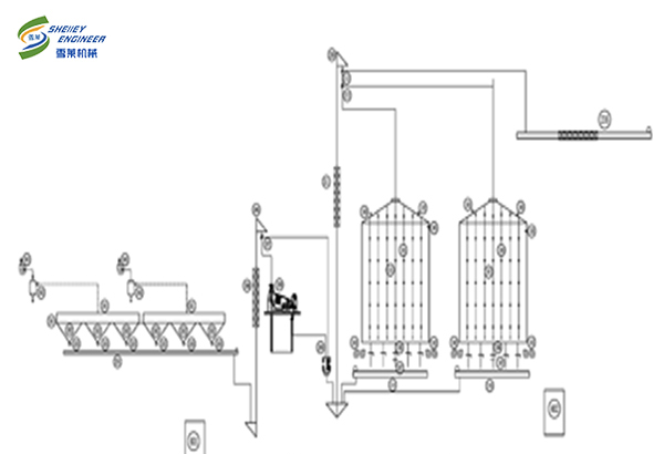
山東保稅區2-3000T玉米平底鋼板倉安裝完工設備明細
101鋼板倉 102 通風系統 103 倉頂引風機 104 測溫系統 105料位系統 106 倉底手動閘門
107 倉底電動閘門 201卸糧坑篦子 202 卸糧坑鋼錐斗 203 卸糧坑底部手動閘門 204 卸糧坑底部刮板機
205 進篩提升機 206 進篩提升機塔架 207電動三通 208 三層振動篩 209永磁筒 210進倉提升機
211 進倉提升機塔架 212 電動三通 213 電動三通 214 出倉刮板機 215 出倉刮板機 216進車間刮板機
301 吸風罩 302 脈沖除塵器 303 除塵風機 401 入倉電控系統 402 出倉電控系統

流程描述
1.入倉部分流程
玉米經201卸糧坑篦子進入到204卸糧坑底部刮板機,刮板機輸送到205進篩提升機中,進篩提升機經207三通需要清理的進入到208三層振動篩中,清理后的玉米經過209永磁筒輸送到進倉提升機中,進入糧倉中;不需要清理的玉米經207三通輸送到209永磁筒中輸送到210進倉提升機中,進入糧倉中。

2.進車間加工流程
玉米經209永磁筒輸送到提升機中,不需要存儲倉內的糧食,直接通過210提升機輸送到216進車間刮板機中,經216進車間刮板機輸送到車間加工。
倉內的糧食通過214出倉刮板機 215出倉刮板機輸送到210提升機中,提升機輸送到216進車間刮板機中,進入車間加工。
3.除塵系統流程
此系統中,卸糧坑篦子設置2套除塵系統,除塵系統流程如下:吸風罩將灰塵收集后,經脈沖除塵器將灰塵吸附后,干凈的空氣經除塵風機排入到空氣中。
4.倉儲系統
此項目為2-3000T平底鋼板倉,鋼板倉配套102通風系統、103倉頂引風機系統,104測溫系統保證了玉米的安全存儲。每個倉配置了105料位系統,當玉米快裝滿的時候,系統會報警,通過電控系統將設備關閉。

3000噸平底鋼板倉及配套設備具體參數
平底鋼板倉,直徑16.5米,層數16層,倉檐高17.975米,總高21.81米,容積4119m³;鋼板倉錐頂角度25度。全部鍍鋅板采用國產優質鍍鋅鋼板,鍍鋅層均為275g/㎡。倉頂蓋板為δ1.0mm熱鍍鋅板,選用國產優質熱鍍鋅板,倉頂上設置自然通風窗、人孔、爬梯,倉頂用航空膠泥和防水墊圈密封,沿倉檐四周設有安全防護欄。
倉筒:壁板材料選用大型鋼廠的優質熱浸鍍鋅卷板。雙面鍍鋅量為275g/㎡,終完成的鍍鋅層連續、光滑、均勻,波紋板采用沖孔形式。倉板接縫處采用航空防水膠泥條密封.立柱:主要作用是增加倉的抗震性、抗側向、豎向荷載的能力,增加倉的豎向穩定性;立柱同倉壁均采用高強度特殊定制的達克羅鍍鋅螺栓連接。
推薦資訊更多>>